
膠球清洗裝置系統的改造分析及凝汽器端蓋密封橡條的使用?膠球清洗裝置系統的改造是本公司09年度主要
技改之一,是節能降耗的有效措施之一。“十一五'規劃中強調全面貫徹落實科學發
展觀,加快建設資源節約型.環境友好型社會,促進經濟發展與人口、資源、環境相協
調,推進國民經濟和社會信息化,切實走新型工業化道路,堅持節約發展、清潔發展,
安全發展,實現可持續發展。
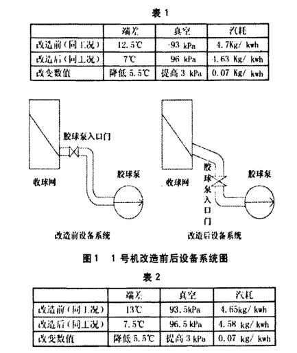
1、膠球清洗裝置改造前后主要指標對比
我公司C15-4.90/0.981-3型機組改造前兩機膠球回收率較低,均低于10%,汽機端差長時間在10C以上,凝汽器經常需要
機械清洗,凝汽器端蓋密封橡條經常更換,浪費了大量的財力和人力。因2號機膠球清洗裝置系統收球網損壞較嚴重,先對2
號機膠球清洗裝置系統更換了新型收球網(收球網坡度較大),這種新型收球網能提高膠球流
動速度,增大收球網斜坡處流通面積,改造后,2號機膠球收球事95%以上,端差降低了5C左右,真空提高3kPa,降低了汽機汽耗,
大大降低了凝汽器的清洗次數,提高了經
濟效益。
2號機改造前后主要指標對比見表1。對比2號機膠球清洗裝置系統改造前后的效果,我們認真進行了分析研究,決定對1號機原
有清洗系統進行改造,把收球網斜坡出口
處的直管道改造成斜管道,增大斜坡出口處的面積,另將膠球泵進口門由在直管道
上改在豎直管道上,防止膠球在此處堵塞,造成回球不暢。改造后膠球回收率在95%以上,凝汽器端差降低5C左右,真空提高3kPa.
1號機改造前后主要指標對比見表2。
2、膠球清洗裝置經濟及節能減排分析
2.1膠球清洗裝置經濟分析
本類型機組端差降低1.5C,真空提高1
Kpa汽機汽耗平均降低1.5%。全年發電量按12800萬kwh計算:改造前汽機汽耗:4.7kg/kwh,
噸標煤價格:800元,噸汽耗標煤量:103kg/噸汽;
全年節約汽量:=4.7x1.5%x12000000=9024噸;全年節約標煤量:=9024x103=929.47噸;全年節約折合人民幣:=929.47x800=74.36萬元。
2.2污染物減排
膠球清洗裝置系統改造后,降低了汽耗,提高了機組效率,減少了標煤耗,從而減少了SO2等主要污染物的排放。二氧化硫減排年節約標煤929.47噸,煤炭含硫0.5%
計算:929.47x0.5%x2x80%=7.44噸:可減少二氧化硫的產生7.44噸/年,按脫硫效率85%計算,可減少排放二氧化硫7.44噸-(7.44噸x0.85)=1.12噸。
經過以上分析,膠球清洗裝置系統改造后全年可為公司節約資金74.36萬元,降低二氧化硫排放量1.12噸。另在一定的循環水溫段可減少循環水泵的運行臺數,節約廠用電。膠球清洗裝置系統改造后,大大地減少了凝汽器的
清洗次數,節省了人力和物力,保證了凝汽器的長期高效運行.符合資源節約型、環境友好型、可持續發展的總體要求。